Datasheet LM78L05, LM78L09, LM78L12, LM78L15, LM78L62, LM78L82 (Texas Instruments) - 9
| Fabricante | Texas Instruments |
| Descripción | LM78LXX Series 3-Terminal Positive Regulators |
| Páginas / Página | 21 / 9 — LM78L05. , LM78L09,. LM78L12. , LM78L15. , LM78L62,. LM78L82. www.ti.com. … |
| Formato / tamaño de archivo | PDF / 1.0 Mb |
| Idioma del documento | Inglés |
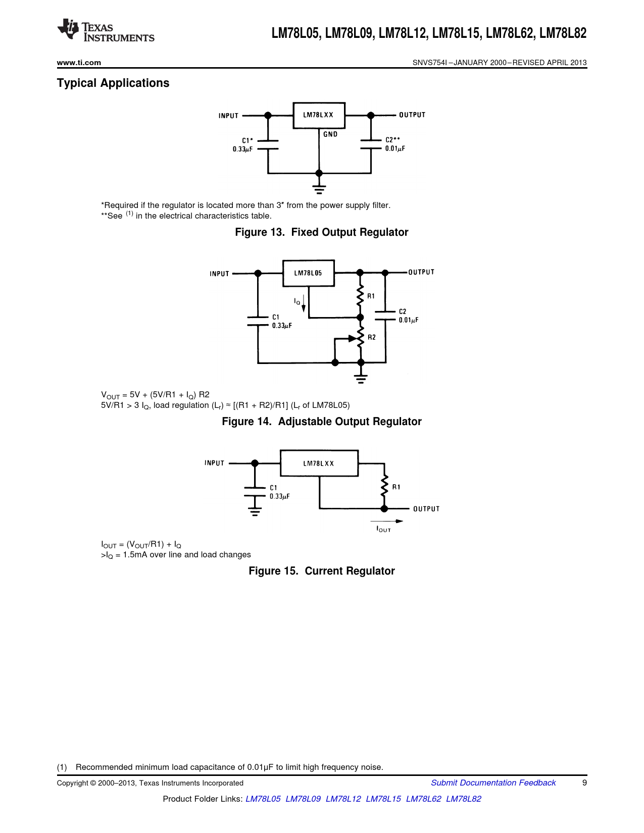
LM78L05. , LM78L09,. LM78L12. , LM78L15. , LM78L62,. LM78L82. www.ti.com. Typical Applications. Figure 13. Fixed Output Regulator

Línea de modelo para esta hoja de datos
Versión de texto del documento
LM78L05 , LM78L09, LM78L12 , LM78L15 , LM78L62, LM78L82 www.ti.com
SNVS754I – JANUARY 2000 – REVISED APRIL 2013
Typical Applications
*Required if the regulator is located more than 3″ from the power supply filter. **See (1) in the electrical characteristics table.
Figure 13. Fixed Output Regulator
VOUT = 5V + (5V/R1 + IQ) R2 5V/R1 > 3 IQ, load regulation (Lr) ≈ [(R1 + R2)/R1] (Lr of LM78L05)
Figure 14. Adjustable Output Regulator
IOUT = (VOUT/R1) + IQ >IQ = 1.5mA over line and load changes
Figure 15. Current Regulator
(1) Recommended minimum load capacitance of 0.01μF to limit high frequency noise. Copyright © 2000–2013, Texas Instruments Incorporated Submit Documentation Feedback 9 Product Folder Links: LM78L05 LM78L09 LM78L12 LM78L15 LM78L62 LM78L82 Document Outline FEATURES DESCRIPTION Connection Diagram DESCRIPTION (continued) Absolute Maximum Ratings LM78LXX Electrical Characteristics LM78L05AC / LM78L05I LM78LXX Electrical Characteristics LM78L62AC LM78LXX Electrical Characteristics LM78L82AC LM78LXX Electrical Characteristics LM78L09AC / LM78L09I LM78LXX Electrical Characteristics LM78L12AC LM78LXX Electrical Characteristics LM78L15AC Typical Performance Characteristics Equivalent Circuit Typical Applications Revision History