Datasheet OPA128 (Texas Instruments) - 8
| Fabricante | Texas Instruments |
| Descripción | Difet Electrometer-Grade Operational Amplifier |
| Páginas / Página | 11 / 8 — OPA128. INA105. OPA606 |
| Formato / tamaño de archivo | PDF / 138 Kb |
| Idioma del documento | Inglés |
OPA128. INA105. OPA606

Línea de modelo para esta hoja de datos
Versión de texto del documento
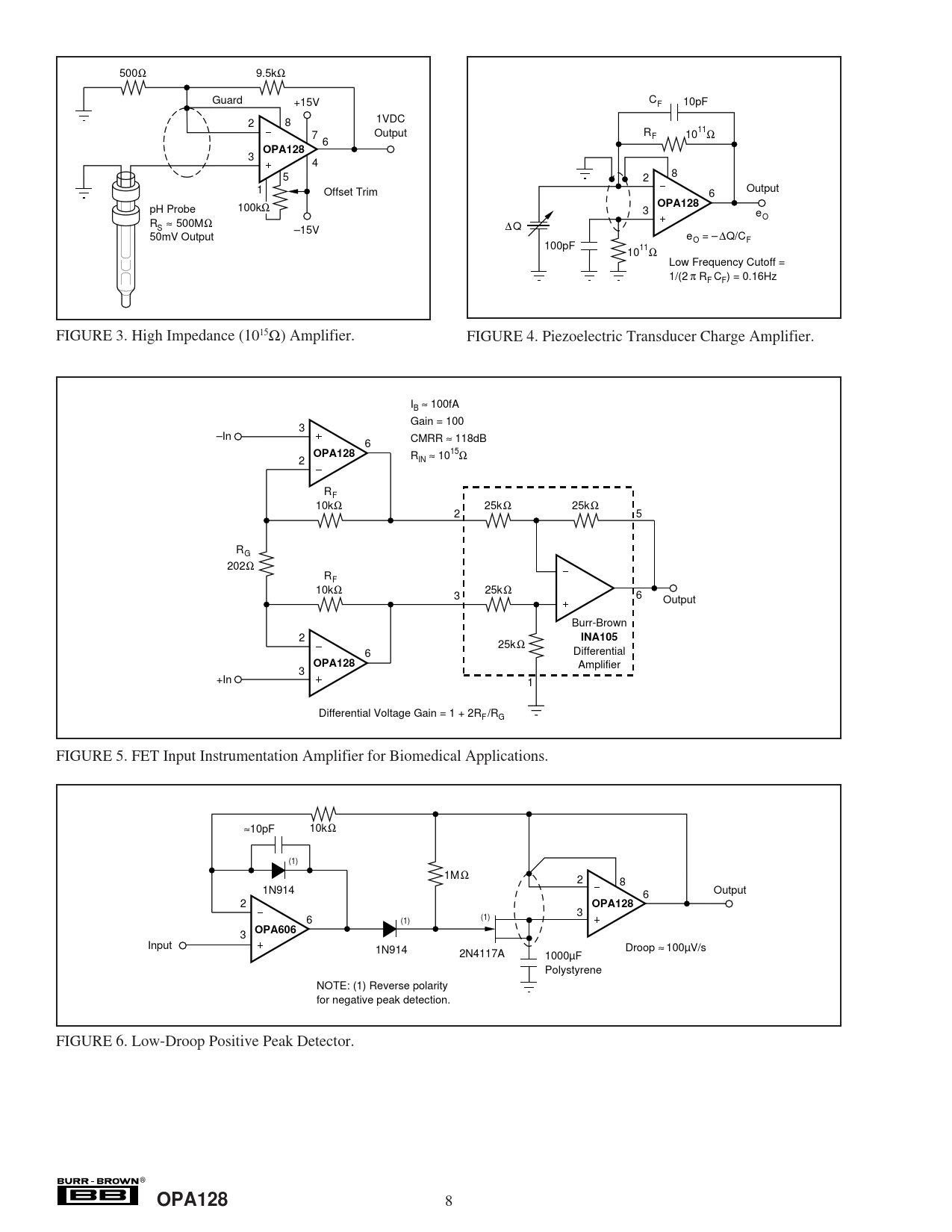
500Ω 9.5kΩ Guard +15V CF 10pF 2 8 1VDC 11 7 Output RF 10 Ω 6
OPA128
3 4 5 2 8 1 Offset Trim Output 6
OPA128
pH Probe 100kΩ 3 eO R ≈ 500MΩ S ∆ –15V Q 50mV Output e = – ∆Q/C O F 100pF 11 10 Ω Low Frequency Cutoff = 1/(2 π R C ) = 0.16Hz F F FIGURE 3. High Impedance (1015Ω) Amplifier. FIGURE 4. Piezoelectric Transducer Charge Amplifier. I ≈ 100fA B Gain = 100 3 –In CMRR ≈ 118dB 6
OPA128
R ≈ 1015Ω 2 IN RF 10kΩ 25kΩ 25kΩ 2 5 RG 202Ω RF 10kΩ 25kΩ 3 6 Output Burr-Brown 2
INA105
25kΩ 6 Differential
OPA128
Amplifier 3 +In 1 Differential Voltage Gain = 1 + 2R /R F G FIGURE 5. FET Input Instrumentation Amplifier for Biomedical Applications. 10pF ≈ 10kΩ (1) 1M Ω 2 8 1N914 6 Output 2
OPA128
3 6 (1) (1)
OPA606
3 Input 1N914 Droop ≈ 100µV/s 2N4117A 1000µF Polystyrene NOTE: (1) Reverse polarity for negative peak detection. FIGURE 6. Low-Droop Positive Peak Detector. ®
OPA128
8