Datasheet LT3595A (Analog Devices) - 7
| Fabricante | Analog Devices |
| Descripción | 16 Channel Buck Mode LED Driver |
| Páginas / Página | 16 / 7 — BLOCK DIAGRAM |
| Formato / tamaño de archivo | PDF / 392 Kb |
| Idioma del documento | Inglés |
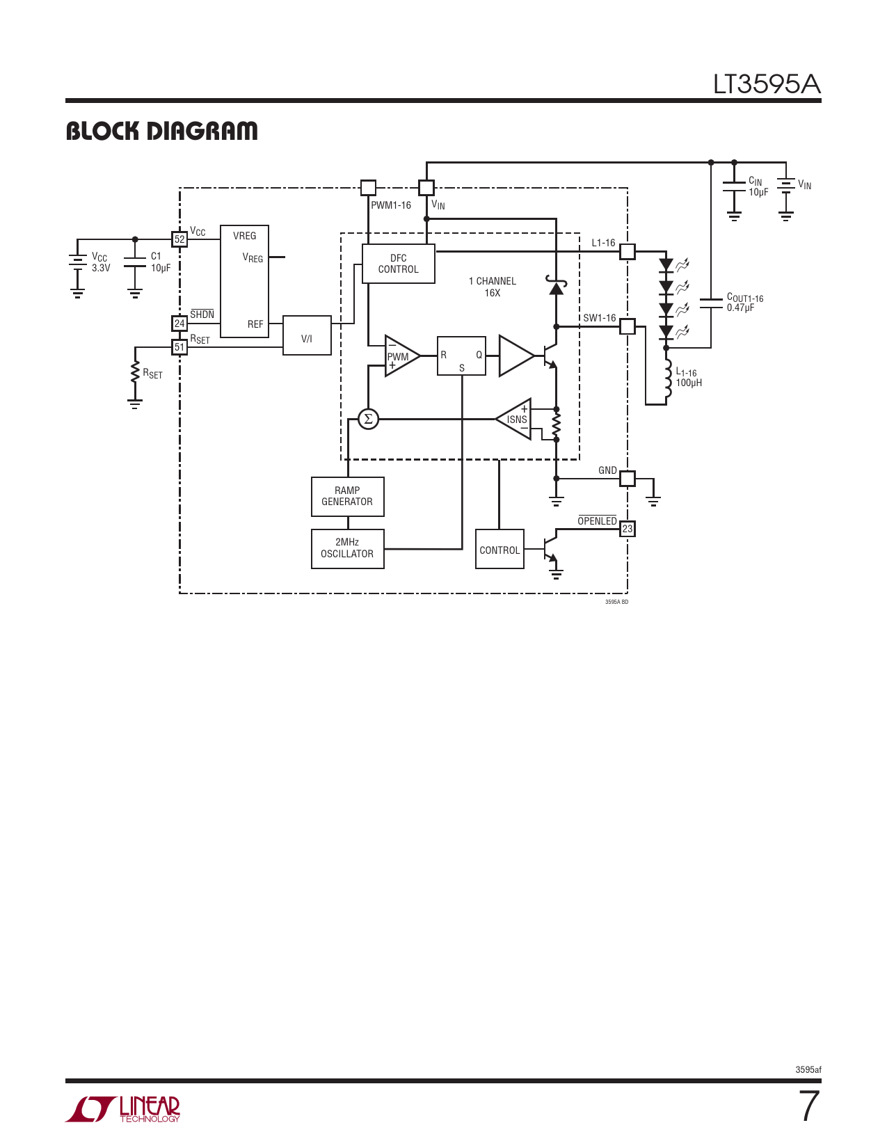
BLOCK DIAGRAM

Línea de modelo para esta hoja de datos
Versión de texto del documento
LT3595A
BLOCK DIAGRAM
CIN VIN 10μF PWM1-16 VIN VCC 52 VREG L1-16 VCC C1 VREG DFC 3.3V 10μF CONTROL 1 CHANNEL 16X COUT1-16 0.47μF SHDN SW1-16 24 REF RSET V/I 51 –PWM R Q + S RSET L1-16 100μH + 3 ISNS– GND RAMP GENERATOR OPENLED 23 2MHz OSCILLATOR CONTROL 3595A BD 3595af 7