Datasheet AD8041 (Analog Devices) - 8

FabricanteAnalog Devices
Descripción160 MHz Rail-to-Rail Amplifier with Disable
Páginas / Página13 / 8 — STANDARD. 5962-96839. MICROCIRCUIT DRAWING
Formato / tamaño de archivoPDF / 97 Kb
Idioma del documentoInglés

STANDARD. 5962-96839. MICROCIRCUIT DRAWING

STANDARD 5962-96839 MICROCIRCUIT DRAWING

Línea de modelo para esta hoja de datos

Versión de texto del documento

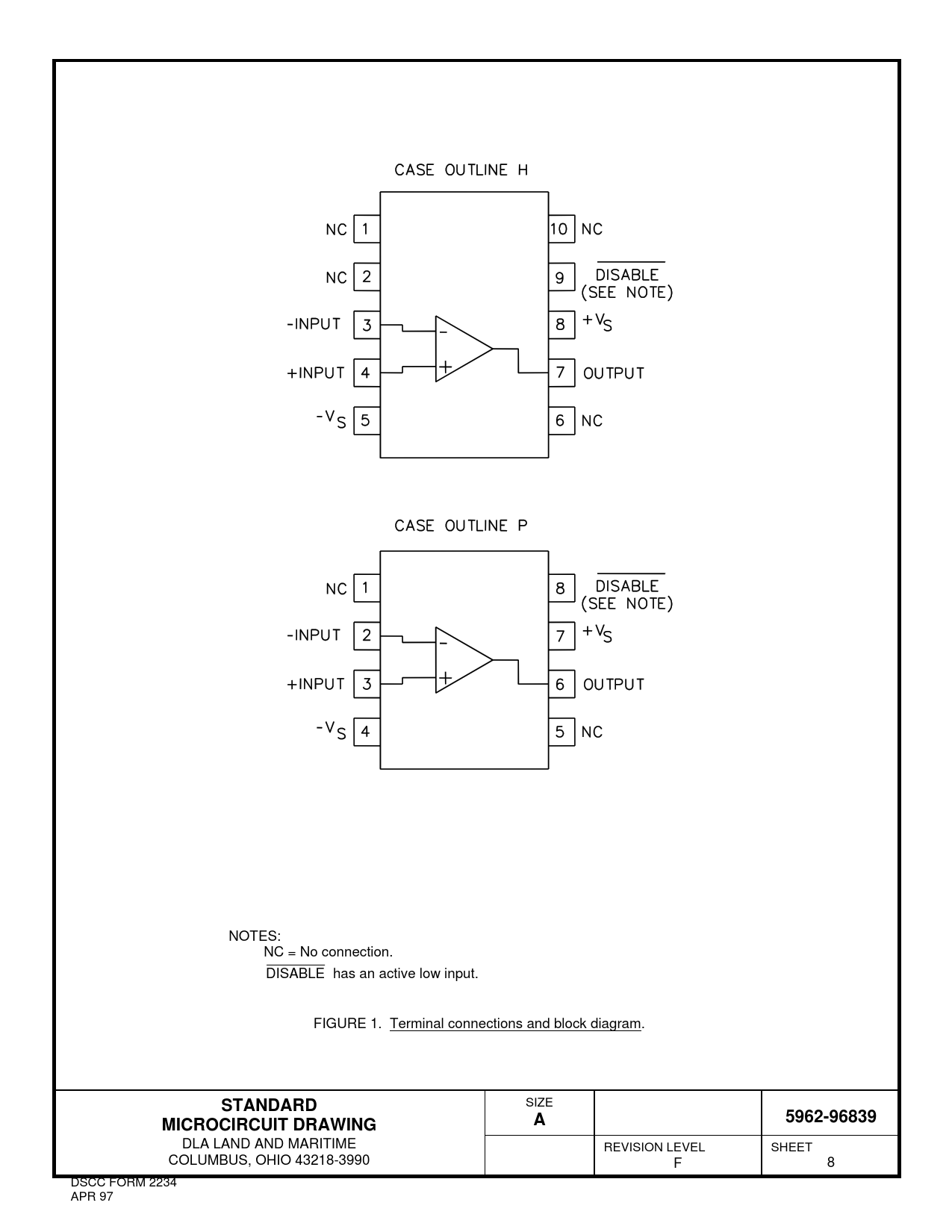
NOTES: NC = No connection. DISABLE has an active low input. FIGURE 1. Terminal connections and block diagram.
STANDARD
SIZE
5962-96839 MICROCIRCUIT DRAWING A
DLA LAND AND MARITIME REVISION LEVEL SHEET COLUMBUS, OHIO 43218-3990 F 8 DSCC FORM 2234 APR 97