Datasheet InnoSwitch3-Pro (Power Integrations) - 2
| Fabricante | Power Integrations |
| Descripción | Digitally Controllable Off-Line CV/CC QR Flyback Switcher IC with Integrated High-Voltage Switch, Synchronous Rectification and FluxLink Feedback |
| Páginas / Página | 54 / 2 — InnoSwitch3-Pro. DRAIN. UNDER/OVER. PRIMARY BYPASS. (D). INPUT VOLTAGE … |
| Formato / tamaño de archivo | PDF / 4.6 Mb |
| Idioma del documento | Inglés |
InnoSwitch3-Pro. DRAIN. UNDER/OVER. PRIMARY BYPASS. (D). INPUT VOLTAGE (V). (BPP). REGULATOR. LINE. INTERFACE. From. Secondary. Controller

Línea de modelo para esta hoja de datos
Versión de texto del documento
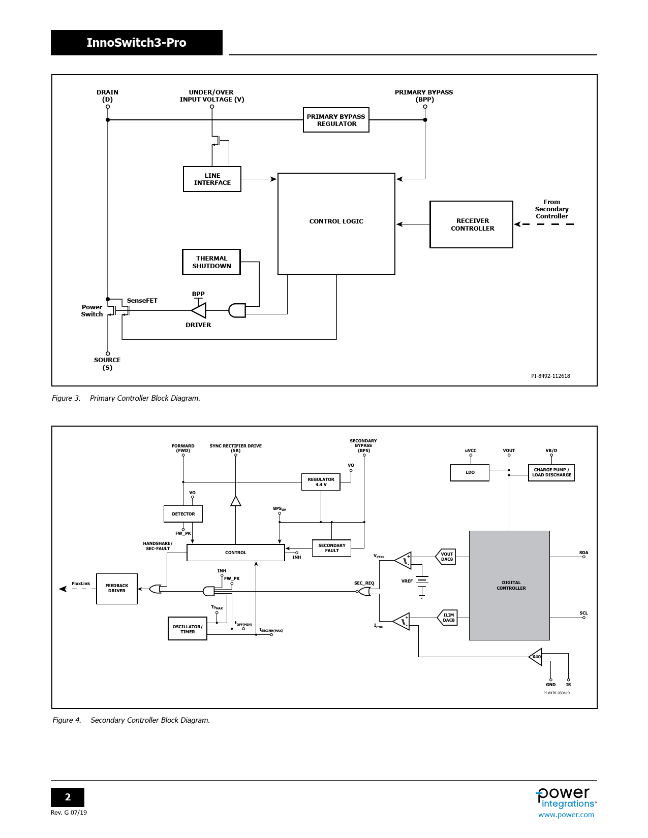
InnoSwitch3-Pro DRAIN UNDER/OVER PRIMARY BYPASS (D) INPUT VOLTAGE (V) (BPP) PRIMARY BYPASS REGULATOR LINE INTERFACE From Secondary Controller CONTROL LOGIC RECEIVER CONTROLLER THERMAL SHUTDOWN BPP SenseFET Power Switch DRIVER SOURCE (S)
PI-8492-112618 Figure 3. Primary Controller Block Diagram.
SECONDARY FORWARD SYNC RECTIFIER DRIVE BYPASS (FWD) (SR) (BPS) uVCC VOUT VB/D VO LDO CHARGE PUMP / LOAD DISCHARGE REGULATOR 4.4 V VO BPSUV DETECTOR FW_PK HANDSHAKE/ SECONDARY SEC-FAULT FAULT CONTROL SDA INH V VOUT CTRL + DAC8 - INH FW_PK VREF FluxLink SEC_REQ DIGITAL FEEDBACK DRIVER CONTROLLER TsMAX SCL + ILIM DAC8 tOFF(MIN) I OSCILLATOR/ - t CTRL SECINH(MAX) TIMER X40 GND IS
PI-8478-030419 Figure 4. Secondary Controller Block Diagram.
2
Rev. G 07/19 www.power.com Document Outline Product Highlights Description Output Power Table Pin Functional Description InnoSwitch3-Pro Functional Description Primary Controller Secondary Controller Register Definition Command Registers Telemetry (Read-back) Registers I2C Connection I2C Example Waveforms Applications Example Key application Considerations Selection of Components Components for InnoSwitch3-Pro IC Primary-Side Circuit Components for InnoSwitch3-PRO Secondary-Side Circuit Recommendations for Circuit Board Layout Layout Example Recommendations for Transformer Design Application Considerations for INN3379C and INN3370C Only Quick Design Checklist Theremal Resistance Test Conditions for INN3379C and INN3370C Absolute Maximum Ratings Thermal Resistance Key Electrical Characteristics Typical Performance Curves InSOP-24D Package Drawing Part Ordering Table MSL Table ESD and Latch-Up Table Part Ordering Information