Datasheet MC1458 (STMicroelectronics) - 3
| Fabricante | STMicroelectronics |
| Descripción | High-performance, dual operational amplifier |
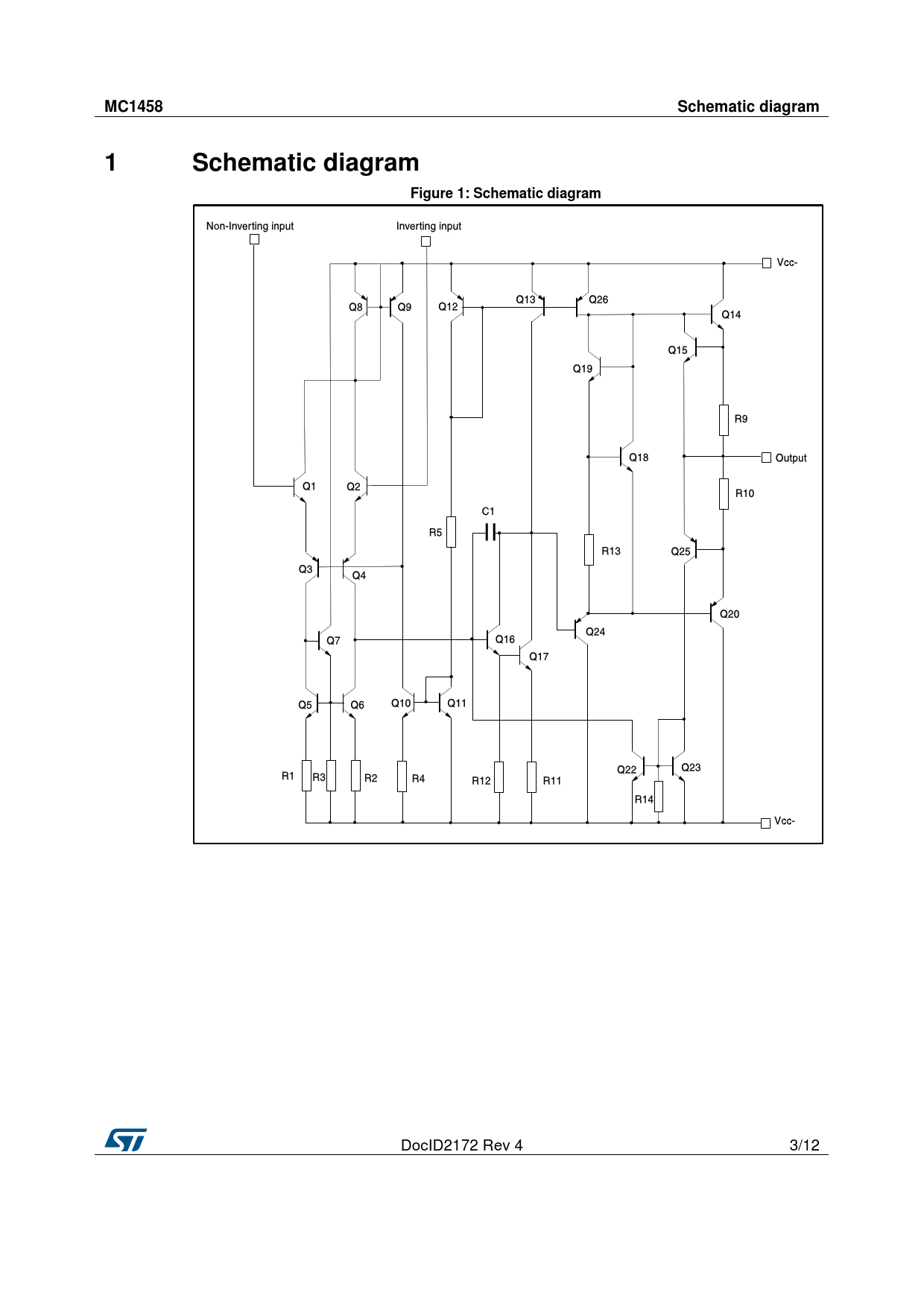
| Páginas / Página | 12 / 3 — MC1458. Schematic diagram. Figure 1: Schematic diagram |
| Formato / tamaño de archivo | PDF / 469 Kb |
| Idioma del documento | Inglés |
MC1458. Schematic diagram. Figure 1: Schematic diagram

Línea de modelo para esta hoja de datos
Versión de texto del documento
MC1458 Schematic diagram 1 Schematic diagram Figure 1: Schematic diagram
DocID2172 Rev 4 3/12 Document Outline 1 Schematic diagram 2 Package pin connections 3 Absolute maximum ratings 4 Electrical characteristics 5 Package information 5.1 SO8 package information 6 Ordering information 7 Revision history