Datasheet TLP3106A (Toshiba) - 7
| Fabricante | Toshiba |
| Descripción | Photocouplers Photorelay |
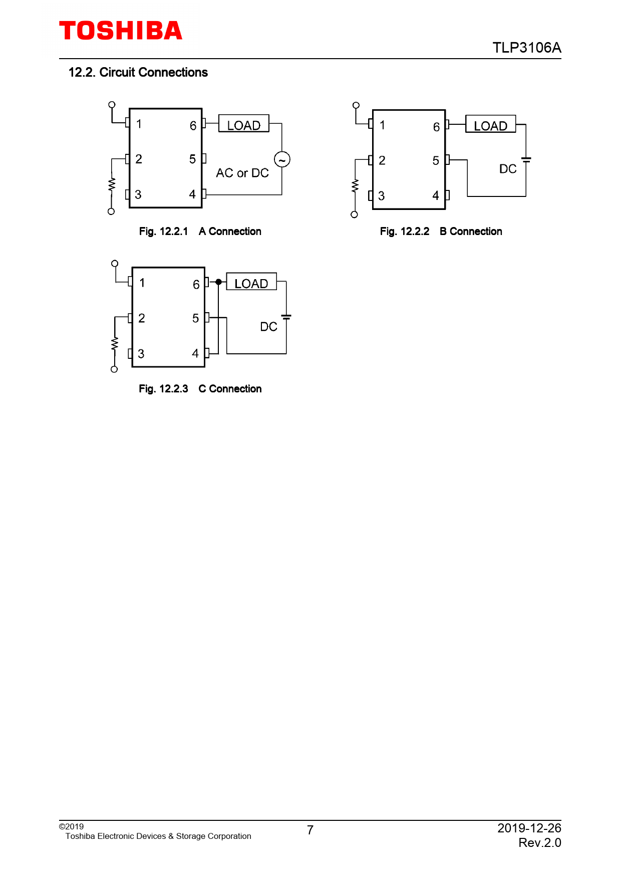
| Páginas / Página | 10 / 7 — TLP3106A. 12.2. Circuit. Connections. Fig. 12.2.1. A. Connection. Fig. … |
| Formato / tamaño de archivo | PDF / 322 Kb |
| Idioma del documento | Inglés |
TLP3106A. 12.2. Circuit. Connections. Fig. 12.2.1. A. Connection. Fig. 12.2.2. B. Connection. Fig. 12.2.3. C. Connection. ©2019. 7. 2019-12-26. Toshiba

Línea de modelo para esta hoja de datos
Versión de texto del documento
TLP3106A 12.2. Circuit Connections Fig. 12.2.1 A Connection Fig. 12.2.2 B Connection Fig. 12.2.3 C Connection ©2019 7 2019-12-26 Toshiba Electronic Devices & Storage Corporation Rev.2.0