Datasheet K857PE (Vishay) - 5

FabricanteVishay
Descripción4-Quadrant Silicon PIN Photodiode
Páginas / Página7 / 5 — K857PE. TAPE AND REEL DIMENSIONS. Notes
Formato / tamaño de archivoPDF / 247 Kb
Idioma del documentoInglés

K857PE. TAPE AND REEL DIMENSIONS. Notes

K857PE TAPE AND REEL DIMENSIONS Notes

Línea de modelo para esta hoja de datos

Versión de texto del documento

K857PE
www.vishay.com Vishay Semiconductors
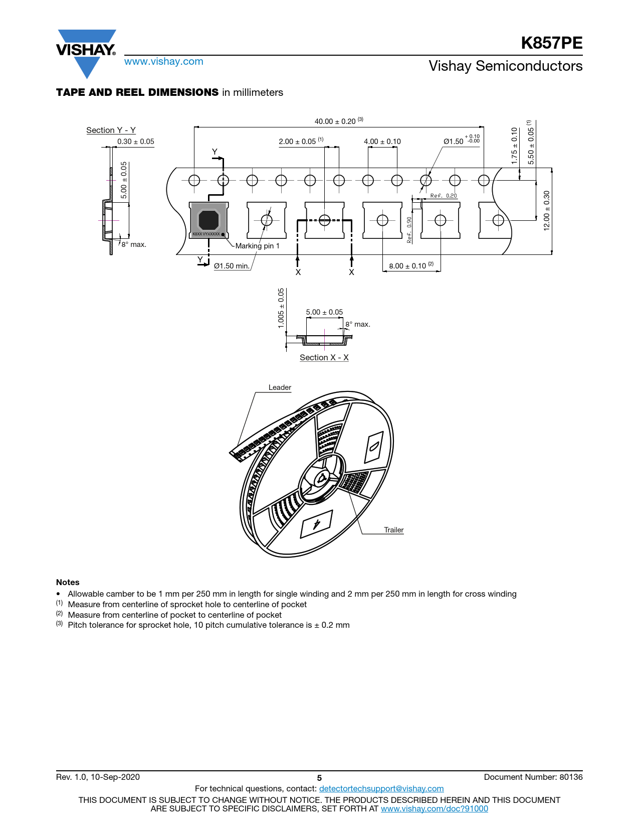
TAPE AND REEL DIMENSIONS
in millimeters 40.00 ± 0.20 (3) (1) Section Y - Y + 0.10 0.30 ± 0.05 4.00 ± 0.10 Ø1.50 -0.00 2.00 ± 0.05 (1) Y 1.75 ± 0.10 5.50 ± 0.05 5.00 ± 0.05 12.00 ± 0.30 K8XX VYXXXXX 8° max. Marking pin 1 Y Ø1.50 min. 8.00 ± 0.10 (2) X X 5.00 ± 0.05 1.005 ± 0.05 8° max. Section X - X Leader Trailer
Notes
• Allowable camber to be 1 mm per 250 mm in length for single winding and 2 mm per 250 mm in length for cross winding (1) Measure from centerline of sprocket hole to centerline of pocket (2) Measure from centerline of pocket to centerline of pocket (3) Pitch tolerance for sprocket hole, 10 pitch cumulative tolerance is ± 0.2 mm Rev. 1.0, 10-Sep-2020
5
Document Number: 80136 For technical questions, contact: detectortechsupport@vishay.com THIS DOCUMENT IS SUBJECT TO CHANGE WITHOUT NOTICE. THE PRODUCTS DESCRIBED HEREIN AND THIS DOCUMENT ARE SUBJECT TO SPECIFIC DISCLAIMERS, SET FORTH AT www.vishay.com/doc?91000