Datasheet IR2011(S)PBF (Infineon) - 5
| Fabricante | Infineon |
| Descripción | High and Low Side Driver |
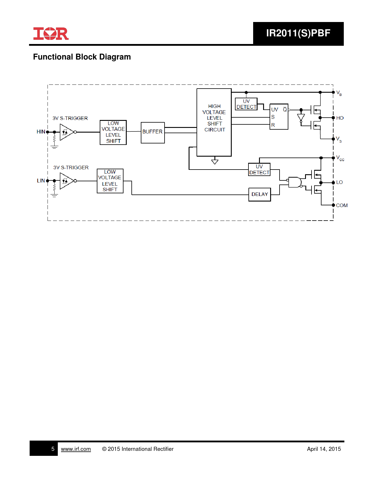
| Páginas / Página | 18 / 5 — IR2011(S)PBF. Functional Block Diagram |
| Revisión | 01_00 |
| Formato / tamaño de archivo | PDF / 1.3 Mb |
| Idioma del documento | Inglés |
IR2011(S)PBF. Functional Block Diagram

Línea de modelo para esta hoja de datos
Versión de texto del documento
IR2011(S)PBF Functional Block Diagram
5 www.irf.com © 2015 International Rectifier April 14, 2015