Datasheet PMEG3010EH, PMEG3010EJ, PMEG3010ET (Nexperia) - 8
| Fabricante | Nexperia |
| Descripción | 1 A very low VF MEGA Schottky barrier rectifiers |
| Páginas / Página | 11 / 8 — Nexperia. PMEG3010EH/EJ/ET. 1 A very low VF MEGA Schottky barrier … |
| Revisión | 28082018 |
| Formato / tamaño de archivo | PDF / 670 Kb |
| Idioma del documento | Inglés |
Nexperia. PMEG3010EH/EJ/ET. 1 A very low VF MEGA Schottky barrier rectifiers

Línea de modelo para esta hoja de datos
Versión de texto del documento
Nexperia PMEG3010EH/EJ/ET 1 A very low VF MEGA Schottky barrier rectifiers
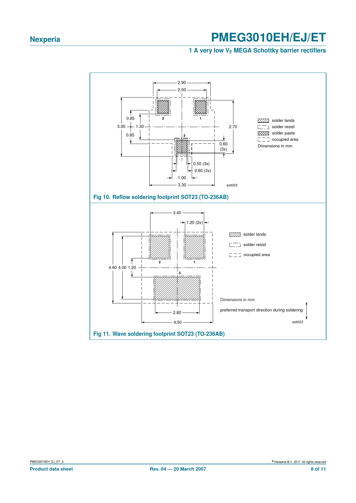
2.90 2.50 0.85
2 1
solder lands 3.00 1.30 2.70 solder resist solder paste 0.85
3
occupied area 0.60 Dimensions in mm (3x) 0.50 (3x) 0.60 (3x) 1.00 3.30 sot023
Fig 10. Reflow soldering footprint SOT23 (TO-236AB)
3.40 1.20 (2x) solder lands solder resist occupied area
2 1
4.60 4.00 1.20
3
Dimensions in mm preferred transport direction during soldering 2.80 4.50 sot023
Fig 11. Wave soldering footprint SOT23 (TO-236AB)
PMEG3010EH_EJ_ET_4 © Nexperia B.V. 2017. All rights reserved
Product data sheet Rev. 04 — 20 March 2007 8 of 11
Document Outline 1. Product profile 1.1 General description 1.2 Features 1.3 Applications 1.4 Quick reference data 2. Pinning information 3. Ordering information 4. Marking 5. Limiting values 6. Thermal characteristics 7. Characteristics 8. Test information 9. Package outline 10. Packing information 11. Soldering 12. Revision history 13. Legal information 13.1 Data sheet status 13.2 Definitions 13.3 Disclaimers 13.4 Trademarks 14. Contact information 15. Contents