Datasheet ADM803, ADM809, ADM810 (Analog Devices) - 9

FabricanteAnalog Devices
DescripciónMicroprocessor Supervisory Circuits in 3-Lead SC70 and SOT-23
Páginas / Página11 / 9 — Data Sheet. ADM803/ADM809/ADM810. OUTLINE DIMENSIONS. 3.04 2.90 2.80. …
Formato / tamaño de archivoPDF / 211 Kb
Idioma del documentoInglés

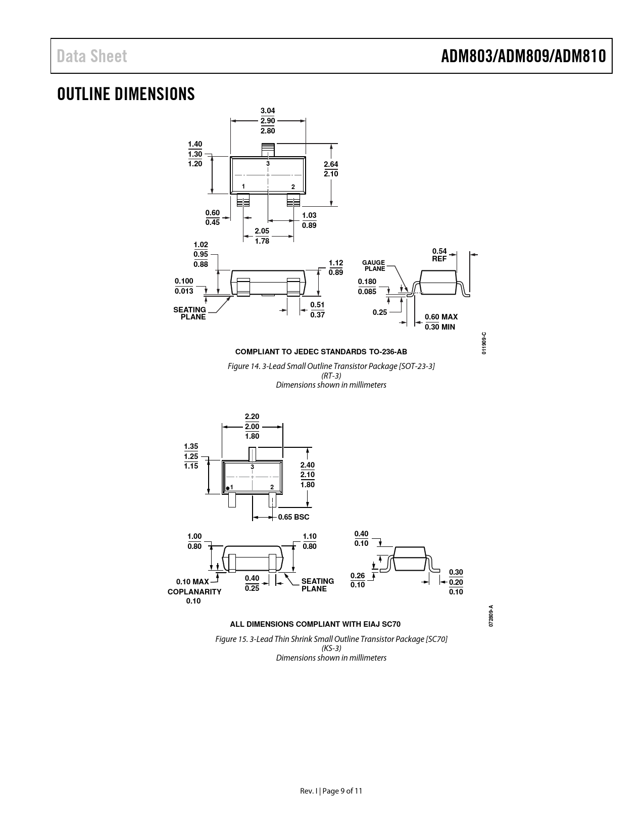
Data Sheet. ADM803/ADM809/ADM810. OUTLINE DIMENSIONS. 3.04 2.90 2.80. 1.40 1.30 1.20. 2.64 2.10. 0.60. 1.03. 0.45. 0.89. 2.05 1.78. 1.02. 0.54

Data Sheet ADM803/ADM809/ADM810 OUTLINE DIMENSIONS 3.04 2.90 2.80 1.40 1.30 1.20 2.64 2.10 0.60 1.03 0.45 0.89 2.05 1.78 1.02 0.54

Línea de modelo para esta hoja de datos

Versión de texto del documento

Data Sheet ADM803/ADM809/ADM810 OUTLINE DIMENSIONS 3.04 2.90 2.80 1.40 1.30 1.20 3 2.64 2.10 1 2 0.60 1.03 0.45 0.89 2.05 1.78 1.02 0.54 0.95 REF 1.12 GAUGE 0.88 PLANE 0.89 0.100 0.180 0.013 0.085 0.51 SEATING 0.25 PLANE 0.37 0.60 MAX 0.30 MIN C COMPLIANT TO JEDEC STANDARDS TO-236-AB 011909-
Figure 14. 3-Lead Small Outline Transistor Package [SOT-23-3] (RT-3) Dimensions shown in millimeters
2.20 2.00 1.80 1.35 1.25 1.15 3 2.40 2.10 1 2 1.80 0.65 BSC 1.00 1.10 0.40 0.80 0.80 0.10 0.30 0.40 0.26 0.10 MAX SEATING 0.10 0.20 0.25 PLANE COPLANARITY 0.10 0.10 -A 9 0 8 2 ALL DIMENSIONS COMPLIANT WITH EIAJ SC70 7 0
Figure 15. 3-Lead Thin Shrink Small Outline Transistor Package [SC70] (KS-3) Dimensions shown in millimeters Rev. I | Page 9 of 11 Document Outline FEATURES APPLICATIONS FUNCTIONAL BLOCK DIAGRAMS GENERAL DESCRIPTION TABLE OF CONTENTS REVISION HISTORY SPECIFICATIONS ABSOLUTE MAXIMUM RATINGS ESD CAUTION PIN CONFIGURATIONS AND FUNCTION DESCRIPTIONS TYPICAL PERFORMANCE CHARACTERISTICS INTERFACING TO OTHER DEVICES ENSURING A VALID RESET OUTPUT DOWN TO VCC = 0 V BENEFITS OF AN ACCURATE RESET THRESHOLD INTERFACING TO MICROPROCESSORS WITH MULTIPLE INTERRUPTS OUTLINE DIMENSIONS ORDERING GUIDE