Datasheet PIC16F627, PIC16F628 (Microchip) - 10
| Fabricante | Microchip |
| Descripción | FLASH-Based 8-Bit CMOS Microcontroller |
| Páginas / Página | 170 / 10 — PIC16F62X. FIGURE. 2-1:. BLOCK. DIAGRAM. 13. Data. Bus. 8. Program. … |
| Formato / tamaño de archivo | PDF / 4.3 Mb |
| Idioma del documento | Inglés |
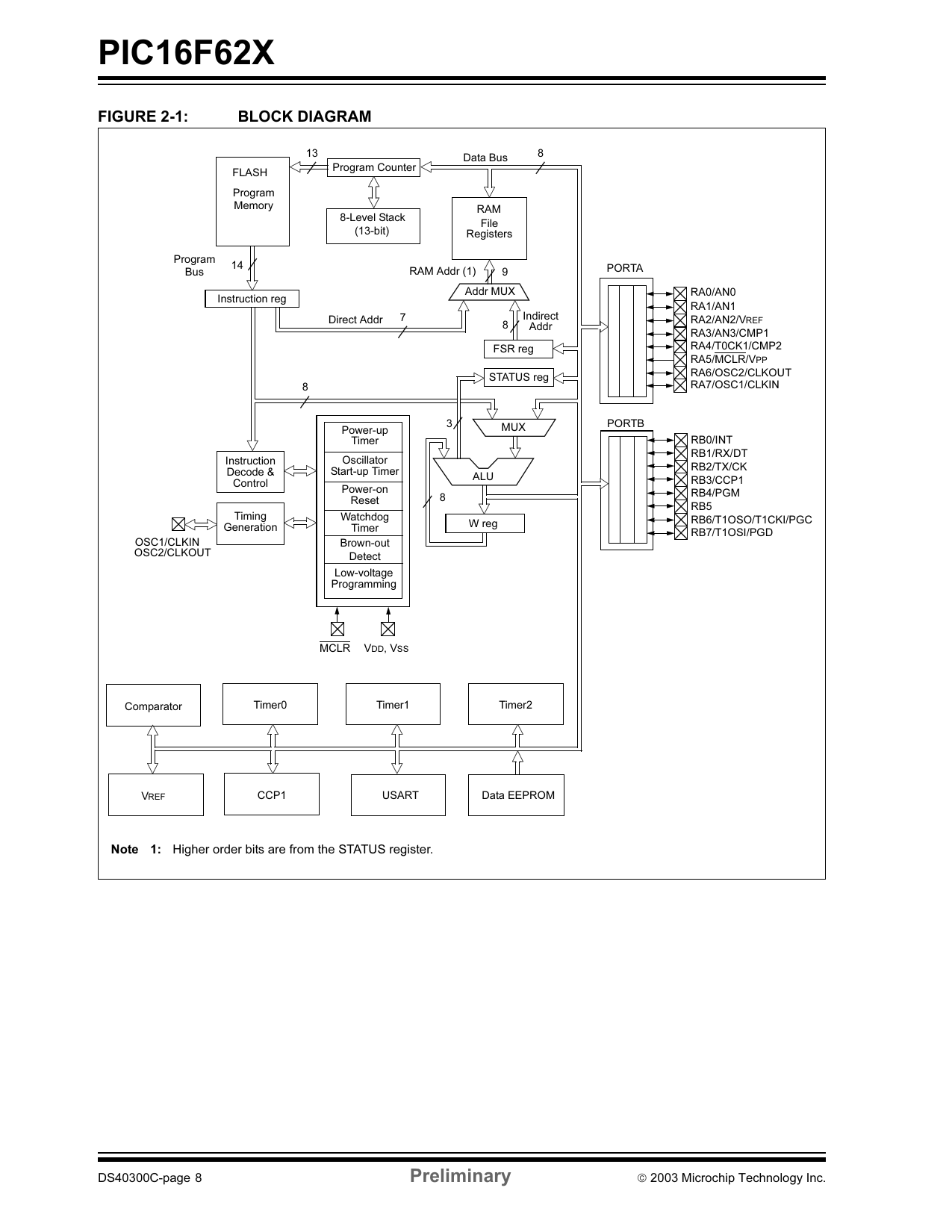
PIC16F62X. FIGURE. 2-1:. BLOCK. DIAGRAM. 13. Data. Bus. 8. Program. Counter. FLASH. Program. Memory. RAM. 8-Level. Stack. File. (13-bit). Registers. Program. 14

Línea de modelo para esta hoja de datos
Versión de texto del documento
PIC16F62X FIGURE 2-1: BLOCK DIAGRAM 13 Data Bus 8 Program Counter FLASH Program Memory RAM 8-Level Stack File (13-bit) Registers Program 14 Bus RAM Addr (1) 9 PORTA Addr MUX RA0/AN0 Instruction reg RA1/AN1 Direct Addr 7 Indirect RA2/AN2/VREF 8 Addr RA3/AN3/CMP1 FSR reg RA4/T0CK1/CMP2 RA5/MCLR/VPP STATUS reg RA6/OSC2/CLKOUT 8 RA7/OSC1/CLKIN 3 MUX PORTB Power-up Timer RB0/INT RB1/RX/DT Instruction Oscillator RB2/TX/CK Decode & Start-up Timer ALU Control RB3/CCP1 Power-on RB4/PGM Reset 8 RB5 Timing Watchdog W reg RB6/T1OSO/T1CKI/PGC Generation Timer RB7/T1OSI/PGD OSC1/CLKIN Brown-out OSC2/CLKOUT Detect Low-voltage Programming MCLR VDD, VSS Comparator Timer0 Timer1 Timer2 VREF CCP1 USART Data EEPROM Note 1: Higher order bits are from the STATUS register. DS40300C-page 8 Preliminary 2003 Microchip Technology Inc. Document Outline 1.0 PIC16F62X Device Varieties 2.0 Architectural Overview TABLE 2-1: Device Description FIGURE 2-1: BLOCK DIAGRAM FIGURE 2-2: CLOCK/INSTRUCTION CYCLE 3.0 Memory Organization FIGURE 3-1: Program Memory Map and Stack FIGURE 3-2: Data Memory Map of the PIC16F627 and PIC16F628 TABLE 3-1: Special Registers Summary Bank 0 TABLE 3-2: Special Function Registers Summary Bank 1 TABLE 3-3: Special Function Registers Summary Bank 2 TABLE 3-4: Special Function Registers Summary Bank 3 FIGURE 3-3: Loading Of PC In Different Situations FIGURE 3-4: Direct/Indirect Addressing PIC16F62X 4.0 General Description TABLE 4-1: PIC16F62X Family of Devices 5.0 I/O Ports FIGURE 5-1: Block Diagram of RA0/AN0:RA1/AN1 Pins FIGURE 5-2: Block Diagram of RA2/Vref Pin FIGURE 5-3: Block Diagram of the RA3/AN3 Pin FIGURE 5-4: Block Diagram of RA4/T0CKI Pin FIGURE 5-5: Block Diagram of the RA5/MCLR/Vpp Pin FIGURE 5-6: Block Diagram of RA6/OSC2/CLKOUT Pin FIGURE 5-7: Block Diagram of RA7/OSC1/CLKIN Pin TABLE 5-1: PORTA Functions TABLE 5-2: Summary of Registers Associated with PORTA(1) FIGURE 5-8: Block Diagram of RB0/INT Pin FIGURE 5-9: Block Diagram of RB1/RX/DT Pin FIGURE 5-10: Block Diagram of RB2/TX/CK Pin FIGURE 5-11: Block Diagram of RB3/CCP1 Pin FIGURE 5-12: Block Diagram of RB4/PGM Pin FIGURE 5-13: Block Diagram of RB5 Pin FIGURE 5-14: Block Diagram of RB6/T1OSO/T1CKI Pin FIGURE 5-15: Block Diagram of the RB7/T1OSI Pin TABLE 5-3: PORTB Functions TABLE 5-4: Summary of Registers Associated With PORTB(1) FIGURE 5-16: Successive I/O Operation 6.0 Timer0 Module FIGURE 6-1: Block Diagram of thE Timer0/WDT TABLE 6-1: Registers Associated with Timer0 7.0 Timer1 Module FIGURE 7-1: Timer1 Block Diagram TABLE 7-1: Capacitor Selection for the Timer1 Oscillator TABLE 7-2: Registers Associated with Timer1 as a Timer/Counter 8.0 Timer2 Module FIGURE 8-1: Timer2 Block Diagram TABLE 8-1: Registers Associated with Timer2 as a Timer/Counter 9.0 Comparator Module FIGURE 9-1: Comparator I/O Operating Modes FIGURE 9-2: Single Comparator FIGURE 9-3: Modified Comparator Output Block Diagram FIGURE 9-4: Analog Input Mode TABLE 9-1: Registers Associated with Comparator Module 10.0 Voltage Reference Module FIGURE 10-1: Voltage Reference Block Diagram FIGURE 10-2: Voltage Reference Output Buffer Example TABLE 10-1: Registers Associated with Voltage Reference 11.0 Capture/Compare/PWM (CCP) Module TABLE 11-1: CCP Mode - Timer Resource TABLE 11-2: Capture Mode Operation Block Diagram FIGURE 11-1: Compare Mode Operation Block Diagram TABLE 11-3: Registers Associated with Capture, compare, and Timer1 FIGURE 11-2: Simplified PWM Block Diagram FIGURE 11-3: PWM OUTPUT TABLE 11-4: Example PWM Frequencies and Resolutions at 20 MHz TABLE 11-5: Registers Associated with PWM and Timer2 12.0 Universal Synchronous/ Asynchronous Receiver/ Transmitter (USART) Module TABLE 12-1: BAUD rATE fORMULA TABLE 12-2: Registers Associated with Baud Rate Generator TABLE 12-3: Baud Rates for synchronous Mode TABLE 12-4: Baud Rates for Asynchronous Mode (BRGH = 0) TABLE 12-5: Baud Rates for Asynchronous Mode (BRGH = 1) FIGURE 12-1: RX Pin Sampling Scheme. BRGH = 0 FIGURE 12-2: RX Pin Sampling Scheme, BRGH = 1 FIGURE 12-3: RX Pin Sampling Scheme, BRGH = 1 FIGURE 12-4: RX Pin Sampling Scheme, BRGH = 0 OR BRGH = 1 FIGURE 12-5: USART Transmit Block Diagram FIGURE 12-6: Asynchronous Transmission FIGURE 12-7: Asynchronous Transmission (Back to Back) TABLE 12-6: Registers Associated with Asynchronous Transmission FIGURE 12-8: USART Receive Block Diagram FIGURE 12-9: Asynchronous Reception with Address Detect FIGURE 12-10: Asynchronous Reception with Address Byte First FIGURE 12-11: Asynchronous Reception with Address Byte First Followed by Valid Data Byte TABLE 12-7: Registers Associated with Asynchronous Reception TABLE 12-8: Registers Associated with Asynchronous Reception TABLE 12-9: Registers Associated with Synchronous Master Transmission FIGURE 12-12: Synchronous Transmission FIGURE 12-13: Synchronous Transmission (Through TXEN) TABLE 12-10: Registers Associated with Synchronous Master Reception FIGURE 12-14: Synchronous Reception (Master Mode, SREN) TABLE 12-11: Registers Associated with Synchronous Slave Transmission TABLE 12-12: Registers Associated with Synchronous Slave Reception 13.0 Data EEPROM Memory TABLE 13-1: Registers/Bits Associated with Data EEPROM 14.0 Special Features of the CPU FIGURE 14-1: Crystal Operation (or Ceramic Resonator) (HS, XT or LP Osc Configuration) TABLE 14-1: Capacitor Selection for Ceramic Resonators TABLE 14-2: Capacitor Selection for Crystal Oscillator FIGURE 14-2: External Parallel Resonant Crystal Oscillator Circuit FIGURE 14-3: External Series Resonant Crystal Oscillator Circuit FIGURE 14-4: External Clock Input Operation (EC, HS, XT or LP Osc Configuration) FIGURE 14-5: External Resistor TABLE 14-3: Resistance and Frequency Relationship FIGURE 14-6: Simplified Block Diagram of On-chip Reset Circuit FIGURE 14-7: Brown-out Situations TABLE 14-4: Timeout in Various Situations TABLE 14-5: Status/PCON Bits and Their Significance TABLE 14-6: Summary of Registers Associated with Brown-out TABLE 14-7: Initialization Condition for Special Registers TABLE 14-8: Initialization Condition for Registers FIGURE 14-8: Timeout Sequence on Power-up (MCLR not tied to Vdd): Case FIGURE 14-9: Timeout Sequence on Power-up (MCLR not tied to Vdd): Case 2 FIGURE 14-10: Timeout Sequence on Power-up (MCLR tied to Vdd) FIGURE 14-11: External Power-on Reset Circuit (For Slow Vdd Power-up) FIGURE 14-12: External Brown-out Protection Circuit 1 FIGURE 14-13: External Brown-out Protection Circuit 2 FIGURE 14-14: Interrupt Logic FIGURE 14-15: INT Pin Interrupt Timing TABLE 14-9: Summary of interrupt registers FIGURE 14-16: Watchdog Timer Block Diagram TABLE 14-10: Summary of Watchdog Timer Registers FIGURE 14-17: Wake-up from Sleep Through Interrupt FIGURE 14-18: Typical In-Circuit Serial Programming Connection 15.0 Instruction Set Summary TABLE 15-1: OPCODE Field Descriptions FIGURE 15-1: General Format for Instructions TABLE 15-2: PIC16F62X Instruction SeT 16.0 Development Support TABLE 16-1: DEVELOPMENT TOOLS FROM MICROCHIP 17.0 Electrical Specifications FIGURE 17-1: PIC16F62X VOLTAGE-FREQUENCY GRAPH, 0°C £ TA £ +70°C FIGURE 17-2: PIC16F62X VOLTAGE-FREQUENCY GRAPH, -40°C £ TA < 0°C, +70°C < TA £ 85°C FIGURE 17-3: PIC16LF62X VOLTAGE-FREQUENCY GRAPH, 0°C £ TA £ +70°C FIGURE 17-4: PIC16LF62X VOLTAGE-FREQUENCY GRAPH, -40°C £ TA < 0°C, +70°C < TA £ 85°C TABLE 17-1: Comparator Specifications TABLE 17-2: Voltage Reference Specifications FIGURE 17-5: Load Conditions TABLE 17-3: DC Characteristics: PIC16F62X, PIC16LF62X FIGURE 17-6: External Clock Timing TABLE 17-4: External Clock Timing Requirements FIGURE 17-7: CLKOUT and I/O Timing TABLE 17-5: CLKOUT and I/O Timing Requirements FIGURE 17-8: Reset, Watchdog Timer, Oscillator Start-Up Timer and Power-Up Timer Timing FIGURE 17-9: Brown-out Detect Timing TABLE 17-6: Reset, Watchdog Timer, Oscillator Start-up Timer and Power-up Timer Requirements FIGURE 17-10: Timer0 and Timer1 External Clock Timings TABLE 17-7: Timer0 and Timer1 External Clock Requirements FIGURE 17-11: Capture/Compare/PWM Timings TABLE 17-8: Capture/Compare/PWM Requirements FIGURE 17-12: TIMER0 Clock Timing TABLE 17-9: TIMER0 Clock Requirements 18.0 DC and AC Characteristics Graphs and Tables FIGURE 18-1: Typical Idd vs Fosc over Vdd – HS Mode FIGURE 18-2: maximum Idd vs Fosc over Vdd (HS Mode) FIGURE 18-3: Typical Idd vs Fosc over Vdd (XT Mode) FIGURE 18-4: Maximum Idd vs Fosc over Vdd (XT Mode) FIGURE 18-5: Typical Idd vs Fosc over Vdd (LP Mode) FIGURE 18-6: Maximum Idd vs Fosc over Vdd (LP Mode) FIGURE 18-7: Typical Fosc vs Vdd (ER Mode) FIGURE 18-8: Typical Internal RC Fosc vs Vdd Temperature (-40 to 125°C) Internal 4MHz Oscillator FIGURE 18-9: Typical Internal RC Fosc vs Vdd OVER Temperature (-40 to 125°C) Internal 37kHz Osci... FIGURE 18-10: Ipd vs Vdd SLEEP mode, All Peripherals Disabled FIGURE 18-11: DLbod vs Voh Over Temperature (-40 to 125°C) FIGURE 18-12: DLtmr1osc vs Vdd Over Temp (0C to +70°C) Sleep Mode, Timer1 Oscillator, 32 khz XTAL FIGURE 18-13: DLwdt vs Vdd Sleep Mode, Watch Dog Timer Enabled FIGURE 18-14: DLcomp vs Vdd Sleep Mode, Comparators Enabled FIGURE 18-15: DLvref vs Vdd Sleep Mode, vref Enabled FIGURE 18-16: Minimum, Typical and Maximum WDT Period vs Vdd (-40°C to +125°C) FIGURE 18-17: Typical WDT Period vs Vdd (-40°C to +125°C) FIGURE 18-18: Voh vs Ioh Over Temp (C) Vdd = 5V FIGURE 18-19: Voh vs Ioh Over Temp (C) Vdd = 3V FIGURE 18-20: Vol vs Iol Over Temp (C) Vdd = 5V FIGURE 18-21: Vol vs Iol Over Temp (C) Vdd = 3V FIGURE 18-22: Vin vs Vdd TTL FIGURE 18-23: Vin vs Vdd ST Input FIGURE 18-24: Maximum Idd vs Vdd Over Temperature (-40 to +125°C) Internal 37kHz Oscillator FIGURE 18-25: Typical Idd vs Vdd Over Temperature (-40 TO +125˚C) Internal 37kHz Oscillator FIGURE 18-26: Maximum Idd vs Vdd Over Temperature (-40 to +125°C) Internal 4MHz Oscillator FIGURE 18-27: Typical Idd vs Vdd Over Temperature (-40 to +125°C) Internal 4MHz Oscillator 19.0 Packaging Information A B C D E G I M N O P Q R S T U V W X On-Line Support Systems Information and Upgrade Hot Line Reader Response Product Identification System Worldwide Sales