Datasheet ASMT-Jx3x (Avago Technologies) - 2

FabricanteAvago Technologies
Descripción3 W Mini Power LED Light Source
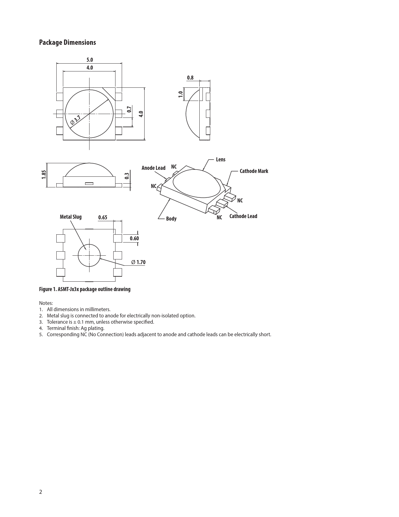
Páginas / Página12 / 2 — Package Dimensions. 5.0 4.0. 0.8. 1.0. 0.7. 4.0. 3.7. Lens. Anode Lead …
Formato / tamaño de archivoPDF / 424 Kb
Idioma del documentoInglés

Package Dimensions. 5.0 4.0. 0.8. 1.0. 0.7. 4.0. 3.7. Lens. Anode Lead NC. Cathode Mark. 0.3. 1.85. Metal Slug. 0.65. Body. Cathode Lead. 0.60. 1.70

Package Dimensions 5.0 4.0 0.8 1.0 0.7 4.0 3.7 Lens Anode Lead NC Cathode Mark 0.3 1.85 Metal Slug 0.65 Body Cathode Lead 0.60 1.70

Línea de modelo para esta hoja de datos

Versión de texto del documento

Package Dimensions 5.0 4.0 0.8 1.0 0.7 4.0
Ø
3.7 Lens Anode Lead NC Cathode Mark 0.3 1.85 NC NC Metal Slug 0.65 Body NC Cathode Lead 0.60
Ø
1.70 Figure 1. ASMT-Jx3x package outline drawing
Notes: 1. All dimensions in millimeters. 2. Metal slug is connected to anode for electrically non-isolated option. 3. Tolerance is ± 0.1 mm, unless otherwise specified. 4. Terminal finish: Ag plating. 5. Corresponding NC (No Connection) leads adjacent to anode and cathode leads can be electrically short. 2