Datasheet S6428-01, S6429-01, S6430-01, S7505-01 (Hamamatsu) - 5
| Fabricante | Hamamatsu |
| Descripción | Si Photodiodes |
| Páginas / Página | 6 / 5 — Si photodiodes S6428-01, S6429-01, S6430-01, S7505-01 Dimensional … |
| Formato / tamaño de archivo | PDF / 232 Kb |
| Idioma del documento | Inglés |
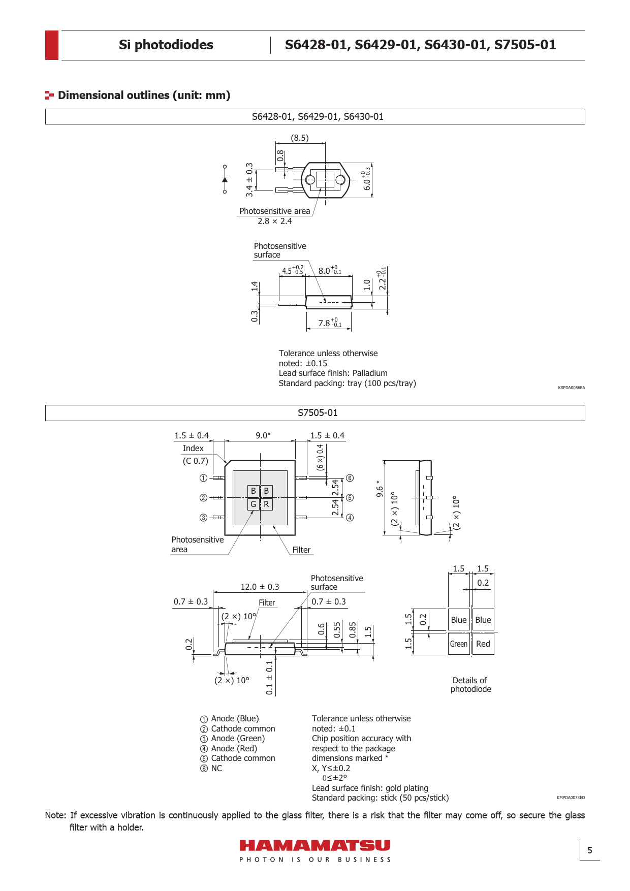
Si photodiodes S6428-01, S6429-01, S6430-01, S7505-01 Dimensional outlines (unit: mm)

Línea de modelo para esta hoja de datos
Versión de texto del documento
Si photodiodes S6428-01, S6429-01, S6430-01, S7505-01 Dimensional outlines (unit: mm)
S6428-01, S6429-01, S6430-01 +0 6.0 -0.3 3.4 ± 0.3 0.8 (8.5) Photosensitive area
2.8 × 2.4 +0.2 +0 4.5 -0.5 0.3 1.4 1.0 8.0 -0.1 +0
2.2 -0.1 Photosensitive
surface +0 7.8 -0.1 Tolerance unless otherwise
noted: ±0.15
Lead surface finish: Palladium
Standard packing: tray (100 pcs/tray) KSPDA0056EA S7505-01
9.0* 1.5 ± 0.4 Photosensitive
area (2 ×) 10° B B
G R 9.6 * 2.54 2.54 Index
(C 0.7) (2 ×) 10° (6 ×) 0.4 1.5 ± 0.4 Filter
1.5 0.7 ± 0.3 Filter 0.7 ± 0.3
1.5
1.5 0.1 ± 0.1 0.2
Anode (Blue)
Cathode common
Anode (Green)
Anode (Red)
Cathode common
NC Blue Blue Green Red 1.5 0.85 0.55 0.6 (2 ×) 10° (2 ×) 10° 1.5
0.2 0.2 12.0 ± 0.3 Photosensitive
surface Details of
photodiode Tolerance unless otherwise
noted: ±0.1
Chip position accuracy with
respect to the package
dimensions marked *
X, Y≤±0.2
θ≤±2°
Lead surface finish: gold plating
Standard packing: stick (50 pcs/stick) KMPDA0073ED Note: If excessive vibration is continuously applied to the glass filter, there is a risk that the filter may come off, so secure the glass
filter with a holder.
5