Datasheet IRFP460 (Vishay) - 7

FabricanteVishay
DescripciónPower MOSFET in TO-247 package
Páginas / Página11 / 7 — IRFP460. Peak Diode Recovery dV/dt Test Circuit. D.U.T. Note. Fig. 18 - …
Formato / tamaño de archivoPDF / 478 Kb
Idioma del documentoInglés

IRFP460. Peak Diode Recovery dV/dt Test Circuit. D.U.T. Note. Fig. 18 - For N-Channel

IRFP460 Peak Diode Recovery dV/dt Test Circuit D.U.T Note Fig 18 - For N-Channel

Línea de modelo para esta hoja de datos

Versión de texto del documento

IRFP460
www.vishay.com Vishay Siliconix
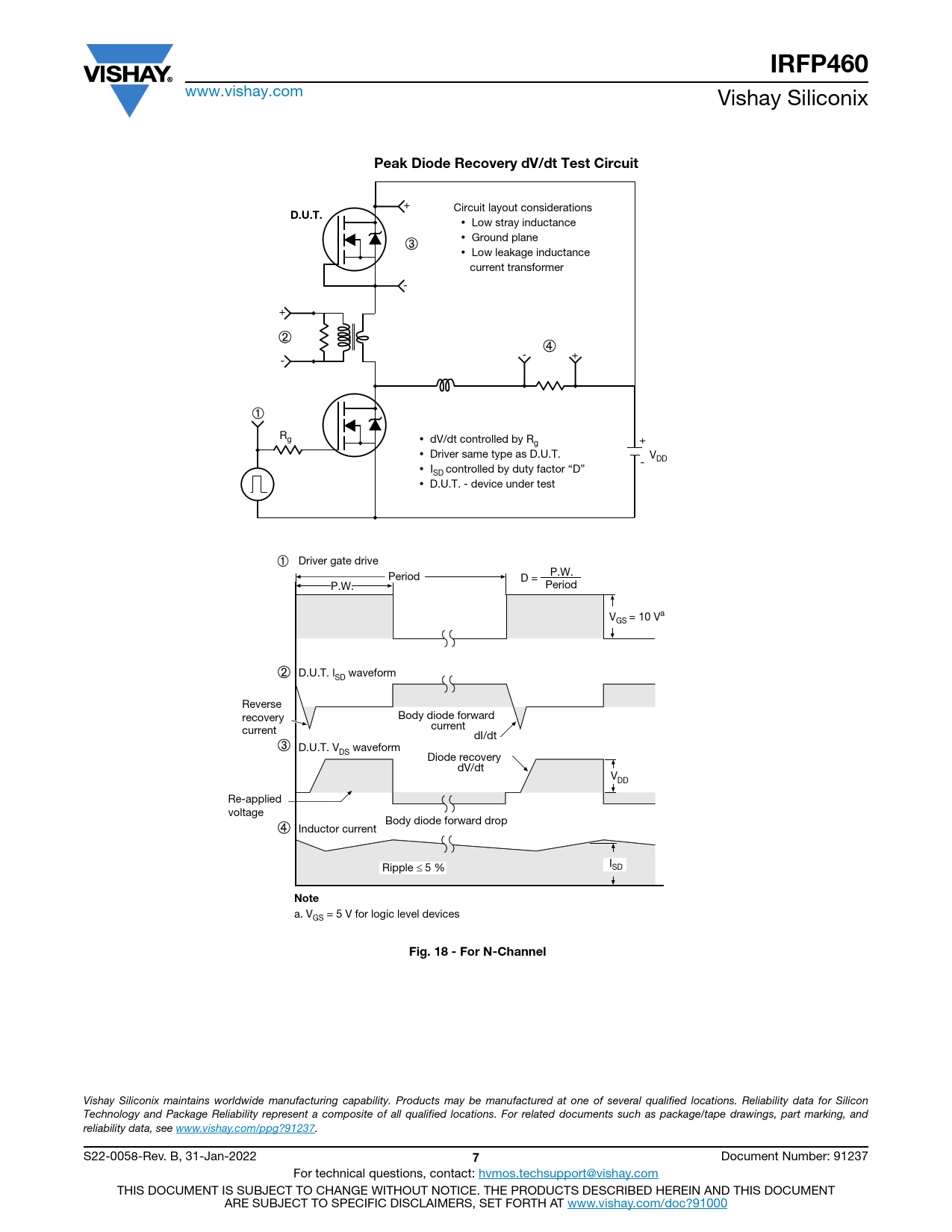
Peak Diode Recovery dV/dt Test Circuit
+ Circuit layout considerations
D.U.T.
• Low stray inductance • Ground plane • Low leakage inductance current transformer - + - + - Rg • dV/dt controlled by R + g • Driver same type as D.U.T. V - DD • ISD controlled by duty factor “D” • D.U.T. - device under test Driver gate drive Period P.W. D = P.W. Period V = 10 Va GS D.U.T. l waveform SD Reverse recovery Body diode forward current current dI/dt D.U.T. V waveform DS Diode recovery dV/dt VDD Re-applied voltage Body diode forward drop Inductor current Ripple ≤ 5 % ISD
Note
a. V = 5 V for logic level devices GS
Fig. 18 - For N-Channel
Vishay Siliconix maintains worldwide manufacturing capability. Products may be manufactured at one of several qualified locations. Reliability data for Silicon Technology and Package Reliability represent a composite of all qualified locations. For related documents such as package/tape drawings, part marking, and reliability data, see www.vishay.com/ppg?91237. S22-0058-Rev. B, 31-Jan-2022
7
Document Number: 91237 For technical questions, contact: hvmos.techsupport@vishay.com THIS DOCUMENT IS SUBJECT TO CHANGE WITHOUT NOTICE. THE PRODUCTS DESCRIBED HEREIN AND THIS DOCUMENT ARE SUBJECT TO SPECIFIC DISCLAIMERS, SET FORTH AT www.vishay.com/doc?91000