Datasheet TC78H670FTG (Toshiba) - 5
| Fabricante | Toshiba |
| Descripción | Clock-in and Serial controlled Bipolar Stepping Motor Driver |
| Páginas / Página | 43 / 5 — 6. Input / Output Equivalent Circuit |
| Formato / tamaño de archivo | PDF / 1.6 Mb |
| Idioma del documento | Inglés |
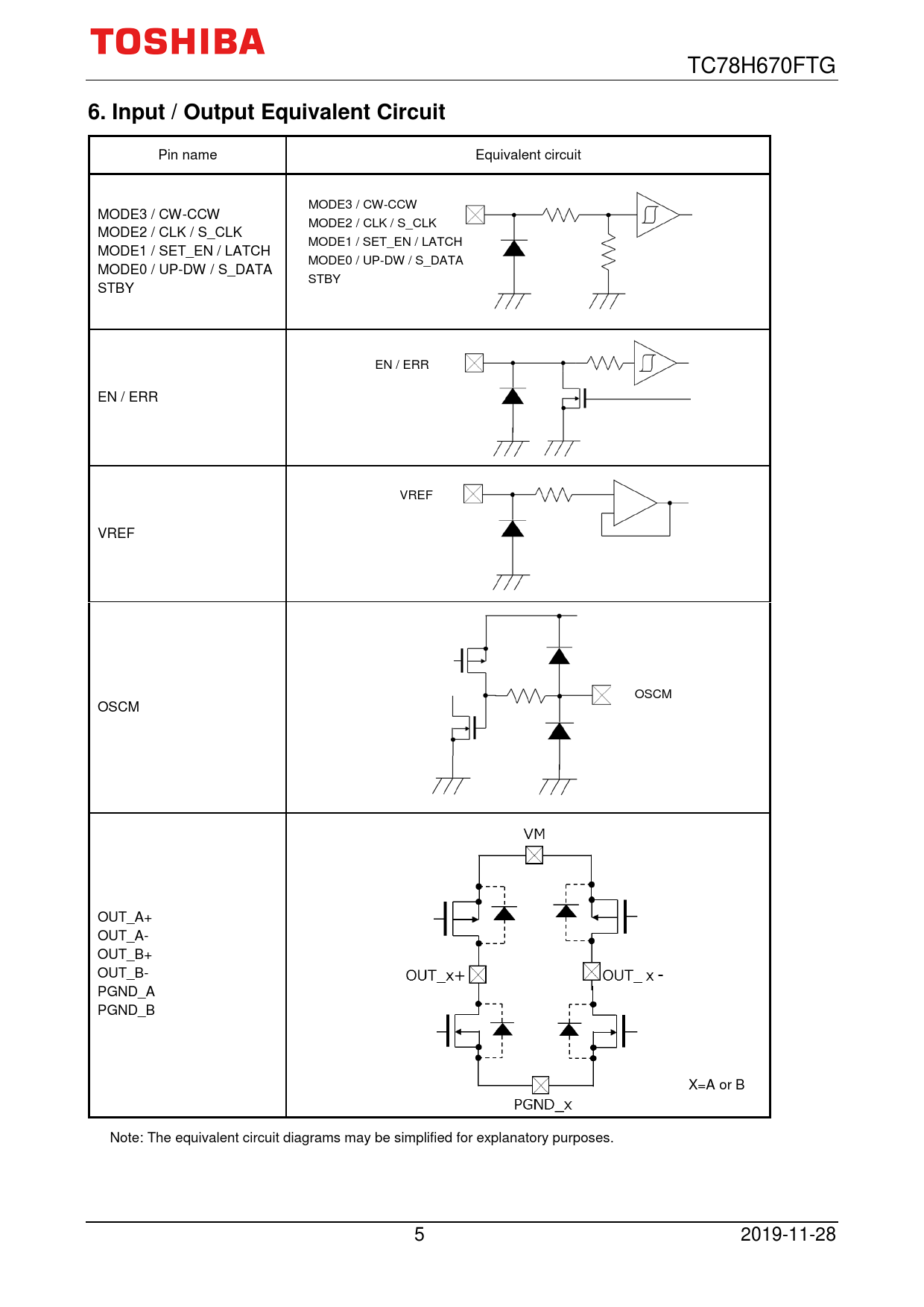
6. Input / Output Equivalent Circuit

Línea de modelo para esta hoja de datos
Versión de texto del documento
TC78H670FTG
6. Input / Output Equivalent Circuit
Pin name Equivalent circuit MODE3 / CW-CCW MODE3 / CW-CCW MODE2 / CLK / S_CLK MODE2 / CLK / S_CLK MODE1 / SET_EN / LATCH MODE1 / SET_EN / LATCH MODE0 / UP-DW / S_DATA MODE0 / UP-DW / S_DATA STBY STBY EN / ERR EN / ERR VREF VREF OSCM OSCM OUT_A+ OUT_A- OUT_B+ OUT_B- PGND_A PGND_B X=A or B Note: The equivalent circuit diagrams may be simplified for explanatory purposes. 5 2019-11-28